水電安裝圖紙水電安裝圖紙會審常見問題
BR墻壁內安裝 5照明燈具標注方法 a燈數 b型號或編號 c每盞照明燈具的燈泡個數 d燈泡容量,W e燈泡安裝高度,m f安裝方式 L光源種類,白熾燈或熒光燈 以上就是水電安裝圖紙怎么看的相關內。
看圖紙,特別是前期預埋的時候首先我們得找參照物來確定我們在圖紙中的哪個位置首先我們可以找電梯井作為參照物也可以找樓梯作為參照物圖紙中很多的小圖標,我們都會結合現場的實物圖來講解讓大家明白這個字符號所代表。
水電安裝步驟 水路安裝 1根據水電安裝圖紙確定水管的走向和位置2在墻面上打好水管的穿孔孔位,并安裝好水管支架3將水管沿著預留的穿孔孔位鋪設,并固定好水管支架4安裝好水龍頭水表等水路設備,并進行水路測試。
首先要看圖紙它包含了哪些內容做到對整套圖紙的大致了解,整套圖紙包括封皮和目錄和設計說明和系統圖和照明平面圖和若電平面圖以及管井詳圖設計說明一定要仔細看一個字一個字的細讀爭取背下來,記不住的話就記在一個本子上。
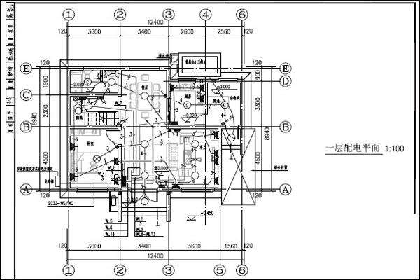
問題四水電安裝圖紙怎么看 11040A 是電表 2XKC2632pC40 是兩相的總開關 3n01 是回路編號 4L1,N,PE表示相線零線地線 5YJV3*10 是電纜規格型號 6SC32是DN32焊接鋼管。

1找指北針雖然大多圖紙是上北下南,但也有例外,看圖先要“找到北”2看出入口樓梯電梯扶梯的位置及走廊的走向,了解建筑內部的交通組織,在腦子里把建筑“走通”3看軸網及柱子剪力墻的布置,了解。
ct 電纜橋架 cp金屬軟管 SR 鋼線槽 RC水煤氣管 看水電圖紙的技巧1了解各個區域位置 看水電圖,首先要了解各個區域的位置,比如我們的熱水器洗手盆洗衣機,廚房中的凈水器軟水機他們的具體位置和安裝。
WF指的是閃光小母線WF是控制電源,信號電源,保護電源,交流電壓,交流電源等共用匯積線,起到匯集分配電能的作用,屬于環網供電方式缺點是有可能造成大范圍保護控制回路直流電源消失電源回路還有用輻射式接線方式的。

水電安裝是房子的一部分,其安全方便與否跟大家住房的舒適度可是有很大關系在做水電之前,業主們可以看看水電施工圖紙,那樣您就可以走很多彎路了那么,水電施工圖紙怎么看呢接下來,跟著我一起來看看吧水電施工圖紙怎么。
對裝修有所了解的人都應該知道,在所有裝修開始前都是由圖紙和施工設計圖支撐裝修流程的,在安裝水電前一定會有一張水電預埋圖紙,目的無非是為了更清楚的看出整個走線的方式那么 水電預埋圖紙怎么看 呢和我一起來學習一下。
先看圖紙的目錄初步了解圖紙張數和內容,找出自己要看的電氣圖紙先看器設置說明和規格表,了解設計意圖以及各種符號的意思,順序看各種圖紙了解圖紙的內容,并將系統圖和平面圖結合在一起弄清楚,意思在看平面圖的時候應該按。
如果你不明白可以問水電監理他會告訴你的 問題九水電系統圖怎么看 看這個要有一定的水電基礎,有師傅交的話,很容易看懂的!就是一些技術材料的要求! 問題十怎么看水電安裝圖?求水電安裝圖紙符號? 水電安裝的圖紙,那些設計。
業主們在裝修水電之前呢可以先了解水電方面的知識,看看規范的水電安裝圖介紹吧!規范的水電安裝圖 1施工前要有電氣強電弱電給排水設計施工圖2嚴禁將導線無任何保護地直接敷設在墻內地坪內地板下或天棚上3。
學習一兩個月根本是學不到一定的基礎的,穿線時分開的顏色,火線紅綠黃線藍色,接地線為黃綠雙色線控制線為白色,接線的時候還一定要注意分辨清楚,所以一般說要想快速學好水電安裝是非常難的一件事。
水電安裝裝修步驟一,房屋裝修,首先,根據安裝設計圖紙,對房屋進行一些改造,如 粉碎某些墻壁另外,修改某些部分第二,管道開槽,管道開槽由兩部分組成,一部分是水管挖溝,另一部分是電信線路開槽 業主最好在施工期間。
免責聲明: 本站提供的任何內容版權均屬于相關版權人和權利人,如有侵犯你的版權。 請來信指出,我們將于第一時間刪除! 所有資源均由免費公共網絡整理而來,僅供學習和研究使用。請勿公開發表或 用于商業用途和盈利用途。
本文鏈接:http://m.whxzws.com/ziyuan/18278.html

發表評論