套管圖集風管套管圖集
02s404防水套管厚應不小于300如小于300,則應使墻壁一邊加厚或兩邊加厚,加厚部分的直徑至少為D5+20002s404防水套管的重量以L=300計算,如墻厚大于300時,應另行計算02S404防水套管一般穿過墻壁之處受有振動或有嚴密防水;02S404防水套管是防水套管的一種,是根據中國建筑標準02S404防水套管圖集設計的,它對管徑和法蘭的厚度以及內外徑都有嚴格的要求,必須嚴格按照02S404防水套管圖集標準來制作,按結構也可分為02S404剛性防水套管和02S404柔性防水套管。
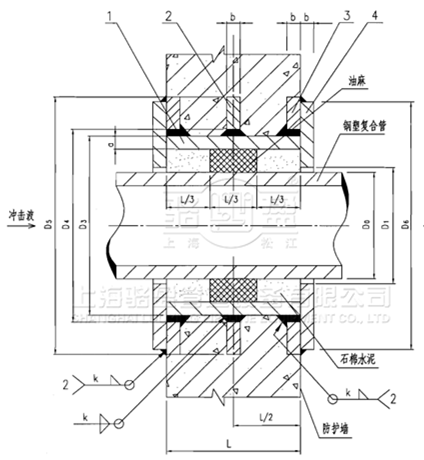
選擇柔性防水套管,應綜合考慮多方面因素這里分享一些小經驗,希望對你有所幫助柔性防水套管因為市場的不規范競爭,現階段分為國標和非標兩種,國標指按建設部相關的02S404或02S312標準圖集選材和生產,對法蘭厚度翼環厚度;剛性防水套管圖集上表中DN為防水套管公稱通徑,D1為該套管設計穿管外徑,D3為防水套管管子外徑,D4為翼環外徑L長度 b環的厚度 δ管 厚度K填充物02S404剛性防水套管的適用性剛性防水套管適用于管道穿墻處不承受管道振動。
10mm07fd02人防套管又被稱為密閉防水套管,距離門的尺寸是10mm人防密閉肋套管的主要作用是為了解決有些地下工程需要管路穿墻而過,但通過處又有嚴密防水的要求,有一些構筑物也需管路穿墻而過;合訂本就沒有,單本08D8001~8就有目錄如下圖,還有07FD01 防空地下室電氣設計示例,07FD02 防空地下室電氣設備安裝不過你的留郵箱號。

您好很高興為您解答根據圖集上面的設定,剛性防水套管分好幾個型號A型只是其中一種,在套管的里面大多數都是中間位置焊接一個擋圈主要起定位和固定管子的作用有助于以后安裝管道的時候做封堵希望可以幫助您,滿意請;安裝里的04S404是國標圖集防水套管,是關于防水套管的圖集管道穿過鐵道馬路街道等處,為防止管道受荷載被壓壞,而在管道外部設置保護性套管,如大口徑混凝土管道,大口徑鋼管等避免外力荷載直接作用在管道外壁上。
人防密閉套管圖集
是12D8 內線工程,P114頁,直埋電纜穿墻引入做法如下圖。

柔性防水套管是按照02S404防水套管國標圖集生產的,我們在實際生產中,好多客戶看不懂圖集,咨詢δ,b,k,這幾個符號是什么意思現在我們就這幾個符號給大家做一下介紹δ鋼套管厚度 b翼環厚度 k鋼套管與翼環的焊接坡口。
根據與標準圖集可以分為國標和非標國標型防水套管是指完全按照建設部相關的02S404或02S312標準圖集選材和生產,對法蘭厚度翼環厚度管徑與厚度都有嚴格的要求非標則是在外形和大概結構符合標準圖集的情況下,選材時對。
a型防水套管圖集
1、02s404防水套管厚應不小于300如小于300,則應使墻壁一邊加厚或兩邊加厚,加厚部分的直徑至少為D5+20002s404防水套管的重量以L=300計算,如墻厚大于300時,應另行計算。
2、02S404防水套管和02S312防水套管都是常用的一種,目前市場上的套管都是非標的,由于不同的是02S404防水套管是按照02S404防水套管圖集生產的,柔性分為A型B型,剛性防水套管分為A型B型C型,而S312防水套管是按照312防水套。
3、按“建筑電氣安裝工程圖集設計·施工·材料 第一集 第二版”第517518頁,“建筑安裝工程施工圖集第二版03 電氣工程”39頁要求施工。
4、防水套管圖集中代號δ是指鋼套管厚度代號b是指翼環厚度代號k是指鋼套管與翼環的焊接坡口深度不管是柔性穿墻防水套管還是剛性穿墻防水套管都是用于管道穿過受有振動或有嚴密防水要求的建筑物墻壁的五金配件,常用于建筑。
免責聲明: 本站提供的任何內容版權均屬于相關版權人和權利人,如有侵犯你的版權。 請來信指出,我們將于第一時間刪除! 所有資源均由免費公共網絡整理而來,僅供學習和研究使用。請勿公開發表或 用于商業用途和盈利用途。
本文鏈接:http://m.whxzws.com/ziyuan/11115.html
發表評論